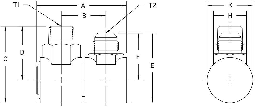
18S32P32-J32 18S-Parallel Plane Swivel fluid power component configured with a -32 (2″) P-Male Pipe barrel connector and -32 (2″) J-Male JIC stem connector.
18S32P32-J32 18S-Parallel Plane Swivel
Product Specifications
| Weight | 23.87 lbs |
|---|---|
| Part Number | |
| Barrel Connector | P-Male Pipe |
| BC Size | -32 (2") |
| Stem Connector | J-Male JIC |
| SC Size | -32 (2") |
| T1 | |
| T2 | |
| A | |
| B | |
| C | |
| D | |
| E | |
| F | |
| H Hex | |
| K Diameter | |
| Vacuum | |
| Weight (Lbs) | |
| Temperature Range | |
| Max W.P. | |
| T1 (Metric) | |
| T2 (Metric) | |
| A (Metric) | |
| B (Metric) | |
| C (Metric) | |
| D (Metric) | |
| E (Metric) | |
| F (Metric) | |
| G (Metric) | |
| G1 (Metric) | |
| H Hex (Metric) | |
| J Hex (Metric) | |
| L Hex (Metric) | |
| K Diameter (Metric) | |
| Vacuum (Metric) | |
| Weight (Lbs) (Metric) | |
| Temperature Range (Metric) | |
| Max W.P. (Metric) |